ແນະນຳ
Hydraulic 90 Degree Adapter ແມ່ນສ່ວນຫນຶ່ງທີ່ຊ່ວຍໃຫ້ສາຍໄຮໂດຼລິກຫັນເປັນມຸມ 90 ອົງສາ. ມັນມີປະທັບຕາທີ່ແຫນ້ນແຫນ້ນເພື່ອຢຸດການຮົ່ວໄຫຼ. ເຮັດດ້ວຍວັດສະດຸທີ່ເຂັ້ມແຂງ, ມັນສາມາດຮັບມືກັບຄວາມກົດດັນສູງ. ມັນເຮັດວຽກຢູ່ໃນໂຮງງານ, ໃນຟາມແລະໃນລົດ. ມັນ ເໝາະ ສົມກັບສາຍຫຼາຍ, ເຮັດໃຫ້ນ້ ຳ ໄຫຼລຽບ, ງ່າຍຕໍ່ການໃສ່ແລະຕ້ອງການການແກ້ໄຂເລັກນ້ອຍ. ມັນດີສໍາລັບການນໍາໃຊ້ຍາວ, ເຮັດໃຫ້ມັນເປັນທາງເລືອກທີ່ສະຫຼາດສໍາລັບສະຖານທີ່ບ່ອນທີ່ສາຍຈໍາເປັນຕ້ອງຫັນແຫຼມ.



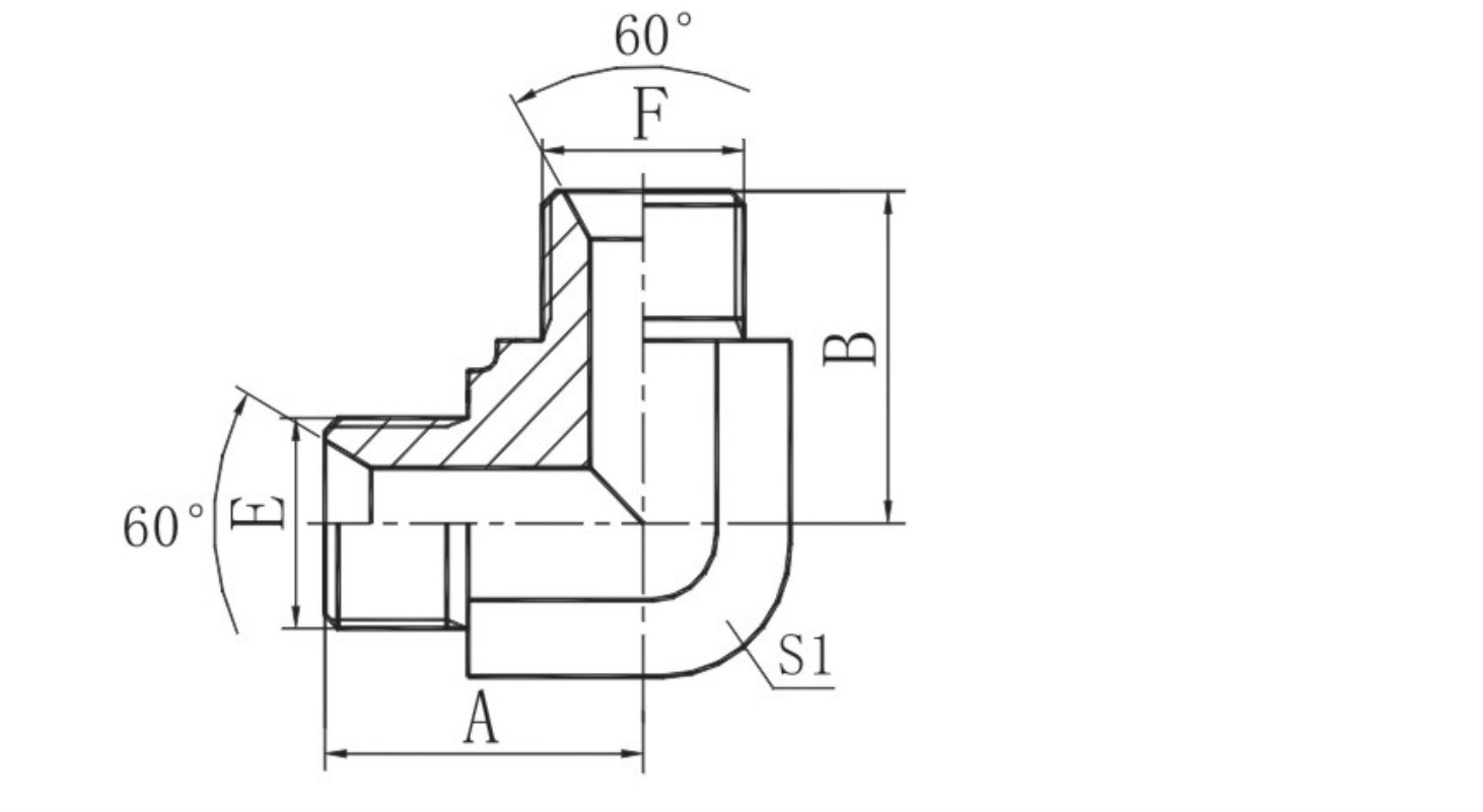
ຂໍ້ມູນຈໍາເພາະ

|
ພາກທີ NO. |
ກະທູ້ |
ມິຕິ |
|||
|
E |
F |
A |
B |
S1 |
|
|
1B9-02 |
G1/8*X28 |
G1/8"*X28 |
19.8 |
19.8 |
11 |
|
1B9-02-04 |
G1/8*X28 |
G1/4"*X19 |
23 |
25 |
14 |
|
1B9-04 |
G1/4*X19 |
G1/4"*X19 |
24.5 |
24.5 |
14 |
|
1B9-04-06 |
G1/4*X19 |
G3/8"*X19 |
26.5 |
27.5 |
16 |
|
1B9-06 |
G3/8*X19 |
G3/8"*X19 |
27.5 |
27.5 |
16 |
|
1B9-08 |
G1/2*X14 |
G1/2"*X14 |
34.5 |
34.5 |
22 |
|
1B9-08-12 |
G1/2*X14 |
G3/4"*X14 |
37.5 |
40 |
27 |
|
1B9-10 |
G5/6*X14 |
G5/8"*X14 |
35 |
35 |
22 |
|
1B9-10-12 |
G5/8*X14 |
G3/4"*X14 |
37.5 |
39 |
30 |
|
1B9-12 |
G3/4*X14 |
G3/4"*X14 |
40 |
40 |
27 |
|
1B9-12-16 |
G3/4*X14 |
G1"*X11 |
43.5 |
46 |
33 |
|
1B9-16 |
G1"*X11 |
G1"*X11 |
46 |
46 |
33 |
|
1B9-16-20 |
G1"*X11 |
G1,1/4"*X11 |
50.5 |
50.5 |
41 |
|
1B9-20 |
G1,1/4"*X11 |
G1,1/4"*X11 |
50.5 |
50.5 |
41 |
|
1B9-20-24 |
G1,1/4"*X11 |
G1,1/2"*X11 |
54.5 |
57.5 |
48 |
|
1B9-24 |
G1,1/2"*X11 |
G1,1/2"*X11 |
57.5 |
57.5 |
48 |
|
1B9-32 |
G2"*X11 |
G2"*X11 |
68 |
68 |
63 |
ພາຣາມິເຕີ/ຂໍ້ມູນດ້ານວິຊາການ
|
ຕົ້ນສະບັບ |
ZheJiang, ຈີນ |
ວັນທີຈັດສົ່ງ |
ສາມາດຕໍ່ລອງໄດ້ |
|
ການຢັ້ງຢືນ |
GB/T19001-2016 idt ISO9001:2015 |
ການຫຸ້ມຫໍ່ |
ມາດຕະຖານການສົ່ງອອກ |
|
ວັດສະດຸ |
ເຫຼັກກາກບອນ |
ຮັບປະກັນ |
1 ປີ |
|
ໄລຍະການຊໍາລະ |
TT |
MOQ |
2000 |
|
ສະພາບ |
ໃໝ່ |
ສີ |
ສັງກະສີສີຂາວ, ສີສັງກະສີ |
ກ່ຽວກັບບໍລິສັດ












ຂໍ້ດີ
ຄຸນະພາບສູງສຸດ
ທີມງານທີ່ມີຄວາມຊໍານິຊໍານານຂອງພວກເຮົາຮັບປະກັນມາດຕະຖານສູງ. ພວກເຮົາປະຕິບັດຕາມການຄວບຄຸມຄຸນນະພາບຢ່າງເຂັ້ມງວດແລະຖືໃບຢັ້ງຢືນເປັນມືອາຊີບ.
ປະສົບການ 10+ ປີ
ນັບຕັ້ງແຕ່ປີ 2011, ພວກເຮົາໄດ້ໃຫ້ບໍລິການລູກຄ້າໃນ 40+ ປະເທດ, ລວມທັງສະຫະລັດ, ເຢຍລະມັນ, ອົດສະຕາລີ, ແລະອື່ນໆ. ໄວ້ວາງໃຈສໍາລັບຜະລິດຕະພັນທີ່ເຊື່ອຖືໄດ້ແລະການບໍລິການທີ່ດີເລີດ.
ຂອບເຂດຜະລິດຕະພັນກວ້າງ
4 ສາຍຜະລິດຕະພັນຫຼັກ (ອຸປະກອນທໍ່ໄຮໂດຼລິກ, ເຟີຣູລລ, ອະແດັບເຕີ ແລະອຸປະກອນທໍ່ໄນລອນ). ຫຼາຍກວ່າ 100+ ແນວພັນເພື່ອຕອບສະໜອງຄວາມຕ້ອງການທີ່ແຕກຕ່າງກັນ.
ລາຄາບໍ່ແພງ
ພວກເຮົາສະເຫນີລາຄາທີ່ແຂ່ງຂັນໂດຍບໍ່ມີການເສຍສະລະຄຸນນະພາບ. ໄວ້ວາງໃຈໂດຍລູກຄ້າທົ່ວໂລກສໍາລັບຂໍ້ສະເຫນີທີ່ຊື່ສັດແລະການຂະຫຍາຍຕົວຢ່າງຕໍ່ເນື່ອງໃນໄລຍະ 10 ປີ.
ລູກຄ້າ-ບໍລິການທຳອິດ
ຄວາມພໍໃຈຂອງທ່ານເປັນບູລິມະສິດຂອງພວກເຮົາ. ຄໍາຕອບດ່ວນແລະການແກ້ໄຂສໍາລັບບັນຫາໃດຫນຶ່ງ.
ສະຖານທີ່ສະດວກ
ໃກ້ Hangzhou, ມີການຂົນສົ່ງງ່າຍແລະການຂົນສົ່ງສໍາລັບການຈັດສົ່ງໄວ.

FAQ
ຖາມ: ເປັນຫຍັງເລືອກເອົາພວກເຮົາ?
A: ພວກເຮົາໄດ້ເຮັດວຽກກັບໄຮໂດຼລິກສໍາລັບ 10 ປີ. ຜະລິດຕະພັນຂອງພວກເຮົາມີຄຸນນະພາບດີ, ມາພ້ອມກັບການຮັບປະກັນ 18-ເດືອນ, ແລະພວກເຮົາຈັດສົ່ງຢ່າງໄວວາ. ພວກເຮົາຍັງຊ່ວຍປະຫຍັດຄ່າໃຊ້ຈ່າຍ, ແລະການບໍລິການຫຼັງການຂາຍຂອງພວກເຮົາແມ່ນບໍ່ມີຄວາມກົດດັນ.
Q: ພວກເຮົາແມ່ນໂຮງງານຜະລິດຫຼືບໍລິສັດການຄ້າບໍ?
A: ພວກເຮົາແມ່ນໂຮງງານຕົ້ນສະບັບທີ່ເຮັດອຸປະກອນທໍ່ໄຮໂດຼລິກ. ພວກເຮົາໄດ້ສຸມໃສ່ການສ້າງແລະປັບປຸງໃຫ້ເຂົາເຈົ້າສໍາລັບ 10 ປີ.
ຖາມ: ດົນປານໃດທີ່ຈະຈັດສົ່ງ?
A: ຖ້າພວກເຮົາມີສິນຄ້າຢູ່ໃນສະຕັອກ, ມັນມັກຈະໃຊ້ເວລາ 7-15 ມື້. ຖ້າບໍ່, 30-45 ມື້ - ນີ້ແມ່ນຂຶ້ນກັບຈໍານວນທີ່ທ່ານສັ່ງ.
ຖາມ: ຈ່າຍເງິນແນວໃດ?
A: ຈ່າຍ 30% ເມື່ອທ່ານຢືນຢັນຄໍາສັ່ງ. ຈ່າຍສ່ວນທີ່ຍັງເຫຼືອ 70% ຫຼັງຈາກທີ່ພວກເຮົາສົ່ງສໍາເນົາໃບບິນໃຫ້ທ່ານ.
ຖາມ: ພວກເຮົາສາມາດເອົາຕົວຢ່າງໄດ້ບໍ? ພວກເຂົາບໍ່ເສຍຄ່າບໍ?
A: ສໍາລັບຜະລິດຕະພັນໃນປະຈຸບັນຂອງພວກເຮົາ, ພວກເຮົາສາມາດໃຫ້ 2 ຕົວຢ່າງຟຣີສໍາລັບການທົດສອບ. ແຕ່ທ່ານຈໍາເປັນຕ້ອງຈ່າຍຄ່າຂົນສົ່ງ. ສໍາລັບຜະລິດຕະພັນທີ່ກໍາຫນົດເອງ, ສົນທະນາກັບພວກເຮົາເພື່ອປະຕິບັດແຜນການຕົວຢ່າງ.
Q: ຈະເປັນແນວໃດຖ້າມີບັນຫາດ້ານຄຸນນະພາບໃນເວລານໍາໃຊ້?
A: ພວກເຮົາຮັບປະກັນຄຸນນະພາບສໍາລັບ 12 ເດືອນ (ນັບຈາກມື້ຈັດສົ່ງ). ບັນຫາທັງໝົດທີ່ບໍ່ໄດ້ເກີດຈາກຄົນແມ່ນໄດ້ຮັບການຄຸ້ມຄອງ.
Q: ຄໍາສັ່ງທີ່ນ້ອຍທີ່ສຸດທີ່ພວກເຮົາສາມາດຈັດວາງແມ່ນຫຍັງ?
A: ສໍາລັບສິນຄ້າໃນສະຕັອກ, ທ່ານສາມາດຊື້ໄດ້ພຽງແຕ່ 1. ສໍາລັບສິນຄ້າທີ່ອອກ-ຈາກ-ໃນສະຕັອກ, ພວກເຮົາຈະຢືນຢັນການສັ່ງຊື້ທີ່ນ້ອຍທີ່ສຸດໂດຍອີງໃສ່ລາຍລະອຽດຂອງສິນຄ້າ.
ຖາມ: ທ່ານສາມາດເຮັດຜະລິດຕະພັນຈາກຮູບແຕ້ມໄດ້ບໍ?
A: ແມ່ນແລ້ວ, ພວກເຮົາສາມາດເຮັດໄດ້. ແຕ່ພວກເຮົາຕ້ອງການຄວາມຕ້ອງການດ້ານວິຊາການທີ່ຊັດເຈນແລະມາດຕະຖານຄວາມທົນທານ.
ຖາມ: ບໍລິການຫລັງ-ການຂາຍຂອງເຈົ້າແມ່ນຫຍັງ?
A: ພວກເຮົາຕິດຕາມການຂົນສົ່ງທັງຫມົດ. ພວກເຮົາອັບເດດໃຫ້ທ່ານຮູ້ວ່າສິນຄ້າຢູ່ໃສ, ແລະກວດເບິ່ງວ່າທ່ານພໍໃຈຫຼັງຈາກທ່ານໄດ້ຮັບ.
ຖາມ: ເຈົ້າກວດສອບຄຸນນະພາບຜະລິດຕະພັນແນວໃດ?
A: ພວກເຮົາມີເຄື່ອງມືການທົດສອບແບບມືອາຊີບ: ເຄື່ອງທົດສອບສີດເກືອ, ເຄື່ອງ tensile, ເຄື່ອງທົດສອບຄວາມແຂງ, ແລະອື່ນໆ. ພວກເຮົາໃຊ້ພວກມັນເພື່ອໃຫ້ແນ່ໃຈວ່າຜະລິດຕະພັນດີ.
ຖາມ: ເຈົ້າໃຫ້ບໍລິການ OEM ບໍ?
A: ແມ່ນແລ້ວ, ພວກເຮົາເຮັດ. ຕິດຕໍ່ພວກເຮົາສໍາລັບລາຍລະອຽດເພີ່ມເຕີມ.
ຖາມ: ທ່ານໃຊ້ການຫຸ້ມຫໍ່ປະເພດໃດ?
A: ໃນປັດຈຸບັນ, ພວກເຮົາໃຊ້ cartons. ແຕ່ບອກພວກເຮົາຄວາມຕ້ອງການຂອງທ່ານ, ແລະພວກເຮົາຈະພະຍາຍາມຕອບສະຫນອງໃຫ້ເຂົາເຈົ້າ.
ຖາມ: ຂ້ອຍຈະໄດ້ຮັບລາຄາເມື່ອໃດ?
A: ປົກກະຕິແລ້ວພວກເຮົາສົ່ງ quote ພາຍໃນ 8 ຊົ່ວໂມງຫຼັງຈາກທີ່ພວກເຮົາໄດ້ຮັບຄໍາຖາມຂອງທ່ານກ່ຽວກັບລາຄາ.
Hot Tags: ອະແດບເຕີໄຮໂດຼລິກ 90 ອົງສາ, ຈີນ ຜູ້ຜະລິດອະແດບເຕີໄຮໂດຼລິກ 90 ອົງສາ, ໂຮງງານຜະລິດ
